簡介UF單機除塵器(Unl-Filter)係引進國外技術,UF單(dān)機除(chú)塵器具有八十年代技術水平的小型袋收塵器。這(zhè)種小型袋式收塵器經濟實用;結構簡單緊湊(còu),安裝容(róng)易,維修方便(內濾式)主要用於庫頂、庫底、倉頂及各種輸送機等(děng)排放和揚塵點收塵(chén),該機采用滌綸布袋,入口溫度<120℃除塵效果達(dá)99.8%。如有特殊用途可(kě)提供耐溫(wēn),_濾料的單(dān)機袋收塵器。
UF-STD、FM、FB型係列單機袋收塵(chén)器
型號說明
UF(STD)/(FM)/(FB)-m-n
U:單機(Unit)
F:收塵(chén)器(FUtey)
(STD)/(FM)/(FB):安(ān)裝型號
m:規格號(hào)
n:多機組合時的單元數
UF單機除塵器技術性能
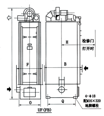
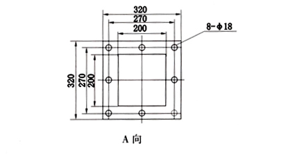
UF單機(jī)除塵器主要尺寸:
‘

’